OTC氬弧焊機(jī)VRTP400III(S-3)是一款性價比非常高的焊機(jī),并且功能強(qiáng)大逆變帶脈沖功能深受廣告朋友的喜愛,我們先看它的部品配置圖



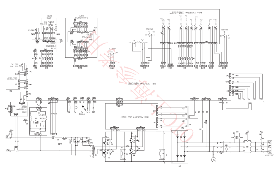
下面我們再來看VRTP400III(S-3)的和電氣圖

OTC焊機(jī)VRTP400III(S-3)的電氣圖和零部件配置圖就介紹到完了,希望能給您帶來幫助,同時如果您需要購買OTC的任何配件,都可以與我聯(lián)系,我公司是OTC指定的代理商,所有配件保證原裝正品,聯(lián)系電話:180-9663-1656(微信同號),也可以先加我微信以備不時之需.

公 司:安徽歐杰自動化科技有限公司
聯(lián)系人:方經(jīng)理
電話:
手機(jī):180-9663-1656
E-mail:15305667776@163.com
地 址:安徽省合肥市望江西路502號